
Android开发之接收系统广播详解在Android开发中,广播(Broadcast)是一种用于进程间通信(IPC)的机制。通过广播,一个应用程序可以发送消息给其他应用程序或系统组件,而接收者可以监听这些消息并做出响应。本文将详细介绍如何在Android中接收系统广播,...
浏览:214 时间:2024-11-02 点击阅读
ADAS安全辅助系统:守护驾驶安全的智能守护者一、ADAS安全辅助系统的功能概述ADAS安全辅助系统通过集成多种传感器和智能算法,实现对车辆周围环境的实时监测,从而为驾驶员提供全方位的安全保障。以下是ADAS安全辅助系统的主要功能: 自动紧急制动(AEB):在检测到前...
浏览:522 时间:2024-11-02 点击阅读
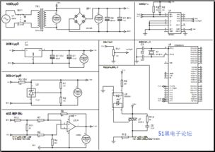
基于51单片机的恒温系统设计与实现一、恒温系统设计原理恒温系统的主要功能是保持环境温度在一个设定的范围内,以满足各种应用场景的需求。其基本工作原理是:通过温度传感器实时监测环境温度,将温度数据传输给单片机,单片机根据预设的PID控制算法计算出控制信号,驱动加热或冷却设备...
浏览:625 时间:2024-11-02 点击阅读
4G内存系统:性能解析与选购指南一、4G内存系统概述4G内存,即4GB容量的随机存取存储器(RAM),是目前市场上较为常见的内存配置。在4G内存系统中,操作系统和应用程序可以更高效地运行,尤其是在多任务处理和大型软件运行方面。二、4G内存系统的性能特点1. 多任务处理能...
浏览:775 时间:2024-11-02 点击阅读
ADAS智能驾驶辅助系统:引领未来出行安全新篇章一、ADAS的定义与功能ADAS,即Advanced Driver-Assistance Systems,中文称为先进驾驶辅助系统。它是一种集成了多种传感器、执行器和算法的智能系统,旨在通过辅助驾驶员进行驾驶操作,提高行车...
浏览:67 时间:2024-11-02 点击阅读
ERP系统在企业中的意义与价值随着信息技术的飞速发展,企业面临着日益激烈的市场竞争。为了提高企业的管理效率和市场竞争力,越来越多的企业开始引入ERP(企业资源计划)系统。本文将探讨ERP系统在企业中的意义与价值,帮助读者更好地理解这一管理工具的重要性。ERP系统是一种集...
浏览:756 时间:2024-11-02 点击阅读
深入解析BMP系统:支付领域的创新与融合随着移动支付和电子支付的快速发展,BMP系统作为一种新型的支付解决方案,逐渐在市场上崭露头角。本文将深入解析BMP系统的特点、应用场景以及其在支付领域的创新与融合。一、BMP系统的定义与特点BMP系统,全称为Bank Mercha...
浏览:85 时间:2024-11-02 点击阅读
苹果AI软件:引领智能生活新篇章一、苹果AI软件概述苹果AI软件主要包括Apple Intelligence、Siri、Face ID、Animoji等。这些软件在苹果系统中发挥着重要作用,为用户提供了更加智能、便捷的使用体验。二、Apple Intelligence:...
浏览:925 时间:2024-11-02 点击阅读
CLANNAD攻略系统全面解析CLANNAD是一款深受玩家喜爱的视觉小说游戏,以其温馨的故事和丰富的角色设定赢得了众多玩家的喜爱。为了帮助玩家更好地体验这款游戏,本文将为您详细介绍CLANNAD的攻略系统。CLANNAD的故事发生在一个名为“古河市”的地方,玩家将扮演主...
浏览:275 时间:2024-11-02 点击阅读
苹果MacBook Air系统概述苹果MacBook Air是一款轻薄便携的笔记本电脑,自2008年首次发布以来,凭借其出色的性能和优雅的设计,赢得了全球消费者的喜爱。MacBook Air搭载的操作系统是macOS,本文将为您详细介绍MacBook Air系统的特点、...
浏览:422 时间:2024-11-02 点击阅读