
时间:2024-11-02 来源:网络 人气:


恒温系统的主要功能是保持环境温度在一个设定的范围内,以满足各种应用场景的需求。其基本工作原理是:通过温度传感器实时监测环境温度,将温度数据传输给单片机,单片机根据预设的PID控制算法计算出控制信号,驱动加热或冷却设备,实现对环境温度的精确控制。

基于51单片机的恒温系统主要由以下几部分组成:
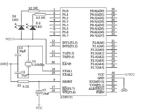
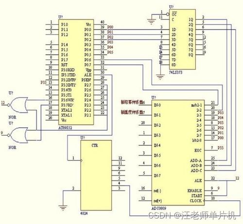
51单片机:作为系统的核心控制器,负责接收温度数据、执行PID控制算法、输出控制信号等。
温度传感器:用于实时监测环境温度,常用的温度传感器有DS18B20、NTC热敏电阻等。
加热/冷却设备:根据温度传感器的反馈,通过加热或冷却设备调节环境温度,常用的加热设备有加热管、加热丝等,冷却设备有风扇、制冷片等。
显示模块:用于显示当前环境温度、设定温度等信息,常用的显示模块有LCD1602、LCD12864等。
按键模块:用于设置温度阈值、调整PID参数等。

基于51单片机的恒温系统软件主要包括以下几个部分:
初始化:初始化单片机、温度传感器、显示模块、按键模块等。
温度采集:通过温度传感器实时采集环境温度。
PID控制算法:根据预设的PID参数,计算出控制信号,驱动加热/冷却设备。
显示:将当前环境温度、设定温度等信息显示在显示模块上。
按键处理:根据按键输入,调整温度阈值、PID参数等。

基于51单片机的恒温系统在实际应用中具有广泛的应用前景,以下列举几个应用场景:
实验室恒温箱:用于存储和保存实验样品,保持样品在设定的温度范围内。
工业生产:用于控制生产过程中的温度,保证产品质量。
家居环境:用于调节室内温度,提高居住舒适度。
医疗设备:用于控制医疗设备的温度,保证医疗效果。
基于51单片机的恒温系统具有成本低、可靠性高、易于实现等优点,在各个领域具有广泛的应用前景。本文详细介绍了恒温系统的设计原理、硬件组成、软件实现以及实际应用,为相关领域的研究和开发提供了有益的参考。