
32位系统能否安装64位系统?详解安装步骤与注意事项随着计算机硬件的不断发展,64位系统因其更高的性能和更大的内存支持而越来越受欢迎。许多用户可能会问,32位系统能否安装64位系统?本文将为您详细解答这个问题,并提供安装步骤和注意事项。一、32位系统能安装64位系统吗?...
浏览:528 时间:2024-11-10 点击阅读
深入解析CoolLife UI系统:酷派手机的个性化定制体验随着智能手机市场的日益竞争激烈,各大手机厂商纷纷推出自己的操作系统,以满足用户多样化的需求。酷派作为国内知名的手机品牌,其CoolLife UI系统凭借其独特的定制化设计和丰富的功能,赢得了众多消费者的青睐。本...
浏览:704 时间:2024-11-10 点击阅读
随着物联网、智能家居等领域的快速发展,嵌入式系统在各个行业中的应用越来越广泛。ARM架构因其高性能、低功耗的特点,成为嵌入式系统开发的首选。本文将围绕ARM嵌入式系统开发中的软件设计与优化展开讨论,旨在帮助开发者更好地理解和应用ARM嵌入式系统开发技术。ARM架构概述A...
浏览:529 时间:2024-11-10 点击阅读
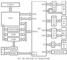
DSP系统概述DSP系统是一种专门用于数字信号处理的系统,它能够对数字信号进行快速、高效的运算和处理。DSP系统通常由DSP处理器、存储器、输入输出接口以及相应的软件组成。嵌入式系统概述嵌入式系统是一种集成在设备中的计算机系统,它具有独立的运行能力,能够完成特定的任务。...
浏览:478 时间:2024-11-10 点击阅读
Administrator进入系统的详细步骤与技巧在开始操作之前,首先需要确认管理员账户是否已启用。以下是启用管理员账户的步骤: 以当前用户登录系统。 打开“控制面板”。 点击“管理工具”。 双击“计算机管理”。 在左侧导航栏中,展开“本地用户和组”。 点击...
浏览:96 时间:2024-11-10 点击阅读
Exc9000励磁系统:引领电力设备智能化升级一、Exc9000励磁系统概述Exc9000励磁系统是一款适用于大型发电机组的高性能励磁调节器,具有以下特点: 高可靠性:采用先进的控制算法和硬件设计,确保系统在各种工况下稳定运行。 高精度:精确控制发电机组励磁电流,提...
浏览:897 时间:2024-11-10 点击阅读
ARM嵌入式系统基础教程 PDF:入门与进阶指南随着物联网、智能家居等领域的快速发展,ARM嵌入式系统因其高性能、低功耗和丰富的生态系统而备受关注。本文将为您介绍ARM嵌入式系统的基础知识,并提供一份详细的教程PDF下载指南,帮助您从入门到进阶。一、ARM嵌入式系统概述...
浏览:770 时间:2024-11-10 点击阅读
CMMS系统价格解析:影响因素与市场趋势随着工业自动化和信息化程度的不断提高,设备维护管理系统(CMMS)在制造业、物业管理、物流与零售等行业中的应用越来越广泛。本文将深入解析CMMS系统的价格构成,分析影响CMMS系统价格的因素,并探讨当前市场趋势。CMMS系统的价格...
浏览:490 时间:2024-11-10 点击阅读
二、BR系统简介Adobe Bridge是由Adobe公司开发的一款数字资产管理工具,它能够帮助用户高效地组织、浏览、检索和管理各种创意资产,如照片、视频、图像等。作为Adobe Creative Cloud套件的一部分,Bridge能与Photoshop、Illust...
浏览:106 时间:2024-11-10 点击阅读