
岗系统在现代企业中的应用与优势随着信息技术的飞速发展,岗系统作为一种高效、智能的管理工具,已经在各行各业中得到了广泛应用。本文将探讨岗系统在现代企业中的应用及其带来的优势。一、岗系统的定义与功能岗系统,全称为岗位管理系统,是一种基于计算机技术的岗位信息管理平台。它能够帮...
浏览:847 时间:2024-12-14 点击阅读
Win7系统语言更改指南:轻松切换系统语言在Win7操作系统中,系统语言的选择对于不同语言背景的用户来说非常重要。如果您需要将系统语言从默认的中文切换为英文,或者从英文切换为中文,以下是一篇详细的指南,帮助您轻松完成这一操作。准备工作在进行系统语言更改之前,请确保您的电...
浏览:128 时间:2024-12-14 点击阅读
攻文系统:助力内容创作者提升效率与质量一、攻文系统的定义与功能攻文系统是一种基于人工智能技术的辅助写作工具,旨在帮助创作者快速生成、优化和发布高质量的内容。该系统通常具备以下功能: 智能选题:根据创作者的需求和目标受众,推荐合适的选题。 自动生成:利用自然语言处理技...
浏览:101 时间:2024-12-14 点击阅读
风力发电系统概述风力发电是一种利用风能转化为电能的可再生能源技术。随着全球能源需求的不断增长和环境保护意识的提高,风力发电作为一种清洁、可再生的能源形式,受到了越来越多的关注。本文将详细介绍风力发电系统的组成、工作原理以及相关技术。风力发电系统组成风力发电系统主要由以下...
浏览:96 时间:2024-12-14 点击阅读
高中信息技术考试系统的设计与应用随着信息技术的飞速发展,信息技术教育在高中教育中的地位日益重要。为了更好地评估学生的学习成果,提高教学质量,高中信息技术考试系统应运而生。本文将探讨高中信息技术考试系统的设计与应用,以期为相关教育工作者提供参考。一、高中信息技术考试系统的...
浏览:830 时间:2024-12-14 点击阅读
光猫电视系统:智慧家庭娱乐新体验一、光猫电视系统的组成与功能光猫电视系统主要由光猫、机顶盒、电视和智能控制系统组成。其中,光猫负责将光纤信号转换为数字信号,机顶盒则负责解码和传输信号,电视作为显示终端,而智能控制系统则负责整个系统的管理和操作。光猫电视系统具有以下功能:...
浏览:374 时间:2024-12-14 点击阅读
光伏建筑系统:绿色建筑的未来趋势随着全球对可持续能源需求的不断增长,光伏建筑系统(BIPV)作为一种将太阳能发电与建筑结构相结合的创新技术,正逐渐成为绿色建筑的未来趋势。本文将探讨光伏建筑系统的定义、优势、应用以及面临的挑战。一、光伏建筑系统的定义光伏建筑系统,全称光伏...
浏览:661 时间:2024-12-14 点击阅读
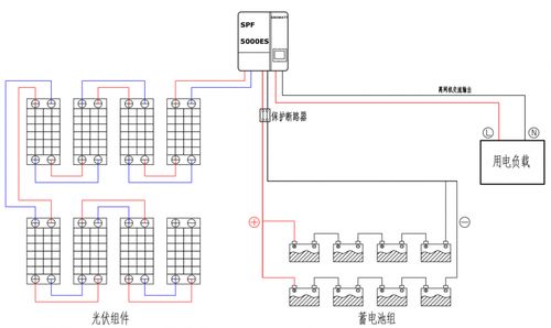
光伏离网系统设计方案:绿色能源的独立解决方案随着全球对可再生能源的需求日益增长,光伏离网系统作为一种绿色、环保的能源解决方案,越来越受到人们的关注。本文将详细介绍光伏离网系统的设计方案,帮助读者了解其工作原理、设计要点以及应用场景。一、光伏离网系统概述光伏离网系统是指不...
浏览:199 时间:2024-12-14 点击阅读
挂料系统的概述挂料系统,顾名思义,是一种用于处理和防止物料在输送、储存或加工过程中粘附在设备表面或管道内壁的装置。在工业生产中,挂料问题不仅影响生产效率,还可能造成产品质量下降和设备损坏。因此,挂料系统的研发和应用对于提高生产效率和产品质量具有重要意义。挂料系统的分类 ...
浏览:191 时间:2024-12-14 点击阅读
丰田VSC系统——安全驾驶的守护神随着汽车技术的不断发展,汽车安全性能越来越受到消费者的关注。丰田汽车作为全球知名的汽车品牌,其VSC系统(车辆稳定性控制系统)在保障驾驶安全方面发挥着至关重要的作用。本文将为您详细介绍丰田VSC系统的功能、原理以及在实际驾驶中的应用。一...
浏览:426 时间:2024-12-14 点击阅读