
时间:2024-12-14 来源:网络 人气:

供回水系统是现代建筑中不可或缺的一部分,尤其在暖通空调(HVAC)系统中扮演着至关重要的角色。它负责将热水或冷水从热源输送到各个使用点,并在使用后回收回水,重新循环利用。本文将详细介绍供回水系统的基本概念、工作原理以及其在建筑节能和舒适度提升方面的作用。

供回水系统通常由水泵、管道、阀门、热交换器等组成。其基本工作原理如下:
热水或冷水通过水泵从热源(如锅炉、热泵等)抽出。
热水或冷水通过管道输送到各个使用点,如散热器、地暖、空调等。
使用后的回水通过管道返回到热源,进行再次加热或冷却。
通过循环水泵,回水被送回热源,完成一个循环。
这种循环利用的方式不仅提高了能源效率,还有助于保持室内温度的稳定。

根据不同的应用场景和设计要求,供回水系统可以分为以下几种类型:
同程式供回水系统:供回水管路长度相同,适用于流量需求均匀的系统。
异程式供回水系统:供回水管路长度不同,适用于流量需求不均匀的系统。
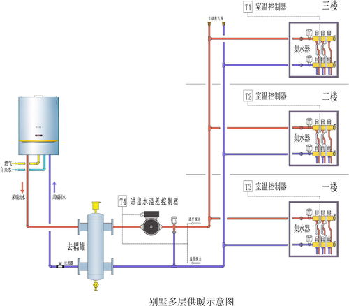
上行下给(上回)系统:热水从上向下供,回水从上向下回,适用于高层建筑。
下行上给(下回)系统:热水从下向上供,回水从下向上回,适用于低层建筑。
不同类型的供回水系统在设计和施工过程中需要考虑的因素各不相同。

为了提高供回水系统的能源效率,以下措施可以采纳:
采用高效节能的水泵。
优化管道设计,减少管道阻力。
安装静态平衡阀,保证各分支管路流量平衡。
采用变频调速技术,根据实际需求调整水泵转速。
合理设置回水温度,减少热量损失。
通过这些措施,可以有效降低供回水系统的能耗,实现节能减排的目标。

为了保证供回水系统的正常运行,以下维护保养工作需要定期进行:
检查水泵、阀门等设备的运行状态,及时更换损坏的部件。
清洗管道,清除杂质和污垢。
检查管道连接处,确保密封性良好。
定期检查水泵、阀门等设备的润滑情况,添加润滑油。
记录系统运行数据,分析能耗情况,优化运行策略。
通过定期维护保养,可以延长供回水系统的使用寿命,降低故障率。
供回水系统在现代建筑中发挥着重要作用,其设计和运行质量直接影响到建筑的能源消耗和居住舒适度。了解供回水系统的工作原理、类型、节能措施以及维护保养方法,对于提高建筑能源利用效率、降低运营成本具有重要意义。