
时间:2024-11-15 来源:网络 人气:

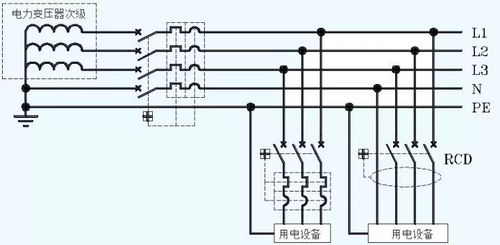
随着工业自动化程度的不断提高,6kV供电系统在电力系统中扮演着越来越重要的角色。然而,6kV系统接地故障作为一种常见的电力故障,不仅会影响电力系统的正常运行,还可能引发安全事故。本文将针对6kV系统接地故障的成因、诊断与处理策略进行探讨。

1. 设备老化:随着使用年限的增加,6kV系统中的设备如电缆、绝缘子、接地线等可能会出现老化现象,导致绝缘性能下降,从而引发接地故障。
2. 外力破坏:在施工、检修等过程中,由于操作不当或外力因素,可能导致6kV系统设备损坏,引发接地故障。
3. 设计缺陷:在6kV系统设计过程中,若未充分考虑设备选型、接地方式等因素,可能导致系统接地故障。
4. 环境因素:恶劣的气候条件,如雷击、洪水等,也可能导致6kV系统接地故障。

1. 观察现象:当6kV系统发生接地故障时,可能会出现以下现象:接地保护动作、电压异常、电流异常等。
2. 故障定位:通过接地保护动作、电压异常、电流异常等现象,结合现场实际情况,可以初步判断接地故障的位置。
3. 故障分析:对故障点进行详细分析,找出故障原因,为后续处理提供依据。

1. 立即隔离故障点:在确认接地故障后,应立即隔离故障点,防止故障扩大。
2. 检查设备:对故障点附近的设备进行检查,找出故障原因。
3. 更换损坏设备:对损坏的设备进行更换,确保6kV系统正常运行。
4. 优化设计:针对设计缺陷,对6kV系统进行优化设计,提高系统可靠性。
5. 加强维护:定期对6kV系统进行维护,及时发现并处理潜在故障。
6kV系统接地故障是电力系统中常见的故障之一,了解其成因、诊断与处理策略对于保障电力系统的正常运行具有重要意义。通过本文的探讨,希望对相关从业人员有所帮助。