
时间:2024-11-08 来源:网络 人气:

随着电子技术的不断发展,单片机在各个领域得到了广泛的应用。8031单片机作为一款经典的微控制器,因其性能稳定、成本低廉等特点,被广泛应用于工业控制、智能家居、教育等领域。本文将详细介绍8031单片机最小系统的组成与设计,帮助读者更好地理解和应用8031单片机。

8031单片机是Intel公司于1980年推出的一款8位微控制器,具有4KB的片内RAM、32KB的片内ROM、两个8位并行I/O口、两个16位定时器/计数器、一个全双工串行通信接口等丰富的功能。由于其高性能和低成本,8031单片机在嵌入式系统领域得到了广泛的应用。

8031单片机最小系统是指能够使单片机正常工作的最小电路组合。它主要包括以下几部分:

单片机是8031最小系统的核心,负责执行程序、处理数据、控制外部设备等。在最小系统中,通常使用8031单片机作为核心处理器。

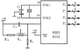
时钟电路为单片机提供稳定的时钟信号,保证单片机正常工作。8031单片机通常使用外部晶振作为时钟源,晶振频率一般为11.0592MHz或12MHz。

电源电路为单片机提供稳定的电源电压,保证单片机正常工作。8031单片机通常使用5V直流电源供电。

复位电路用于将单片机初始化到默认状态,保证单片机在每次上电后都能从程序开始处执行。8031单片机通常使用上电复位和按键复位两种方式。

应用电路根据实际需求设计,用于实现特定的功能。例如,可以设计LED显示、按键输入、传感器接口等应用电路。

8031单片机最小系统的设计主要包括以下几个方面:

根据实际需求选择合适的8031单片机型号,例如8031、8032、8051等。

根据单片机的时钟要求,选择合适的晶振频率和电路元件,设计时钟电路。

根据单片机的电源要求,设计电源电路,保证单片机稳定供电。

根据单片机的复位要求,设计复位电路,保证单片机初始化到默认状态。

根据实际需求,设计应用电路,实现特定的功能。
8031单片机最小系统是单片机应用的基础,了解其组成与设计对于学习和应用8031单片机具有重要意义。本文详细介绍了8031单片机最小系统的组成与设计,希望对读者有所帮助。