
时间:2024-11-07 来源:网络 人气:

51最小系统板是嵌入式系统开发中常用的基础平台,它由最少的元件组成,能够使51单片机正常工作。本文将详细介绍51最小系统板的电路图,帮助读者更好地理解和应用这一基础平台。

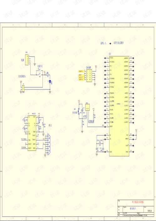
51最小系统板主要由以下几个部分组成:
单片机:如AT89S51、STC89C51等51系列单片机。
晶振电路:为单片机提供时钟信号。
复位电路:保证单片机在启动时能够正确复位。
电源电路:为单片机提供稳定的电源。
上拉电阻:用于P0口输入信号的上拉。

单片机是51最小系统板的核心,它负责处理各种指令和数据。在电路图中,单片机通常占据较大的位置,并且与其他元件连接紧密。选择合适的单片机对于整个系统的稳定性和性能至关重要。

晶振电路为单片机提供时钟信号,是单片机正常工作的基础。在电路图中,晶振电路通常由晶振、电容和电阻组成。晶振的选择应根据单片机的时钟频率要求来确定。
晶振频率:常见的晶振频率有11.0592MHz和12MHz。
电容值:通常选用22pF或33pF的电容。

复位电路用于保证单片机在启动时能够正确复位。在电路图中,复位电路通常由电容、电阻和复位按钮组成。复位电路的设计应保证在系统上电或按下复位按钮时,单片机的RST脚能够得到足够长的高电平信号。
电容值:通常选用10uF的电容。
电阻值:通常选用8.2K的电阻。

电源电路为单片机提供稳定的电源。在电路图中,电源电路通常由稳压芯片、滤波电容和电源开关组成。电源电路的设计应保证在系统运行过程中,单片机能够获得稳定的电压。
稳压芯片:常见的稳压芯片有LM7805、LM317等。
滤波电容:通常选用100uF的电容。

上拉电阻用于P0口输入信号的上拉。在电路图中,上拉电阻通常连接在P0口的每个引脚上。上拉电阻的阻值应根据单片机的输入电压和电流要求来确定。
阻值:常见的阻值有10K、22K等。
51最小系统板电路图是嵌入式系统开发的基础,了解和掌握其电路图对于学习和应用嵌入式系统具有重要意义。本文详细解析了51最小系统板的组成、工作原理和设计要点,希望对读者有所帮助。