
时间:2024-11-06 来源:网络 人气:

在计算机体系结构中,中断系统是CPU响应外部或内部事件的一种机制。8086CPU作为早期的微处理器,其中断系统设计对后续的x86架构产生了深远影响。本文将深入解析8086CPU的中断系统,包括中断类型码、中断向量表以及中断响应过程。

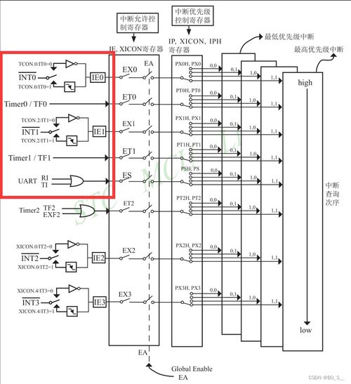
8086CPU的中断系统具有256个中断类型码,每个中断类型码用一个字节表示,范围从0到255。这些中断类型码为中断服务程序提供了唯一的标识,使得CPU能够根据不同的中断类型执行相应的处理程序。

为了方便CPU查找和调用对应的中断服务程序,8086CPU将所有中断向量集中存储在一个特定的区域,这个区域被称为中断向量表。中断向量表是一个256字节的存储区,每个中断类型码对应一个中断服务程序的入口地址。当CPU接收到中断请求时,它会根据中断类型码在中断向量表中查找相应的入口地址,然后跳转到该地址执行中断服务程序。

8086CPU的中断响应过程可以分为以下几个步骤:







8086CPU的中断类型可以分为以下几类:





在8086CPU中,不同类型的中断具有不同的优先级。当多个中断同时发生时,CPU会按照优先级顺序响应中断。通常,NMI的优先级最高,其次是除法错误,最后是INTR。
8086CPU的中断系统是计算机体系结构中不可或缺的一部分。它使得CPU能够及时响应外部和内部事件,提高系统的实时性和可靠性。通过对8086CPU中断系统的深入解析,我们可以更好地理解其工作原理和设计特点,为后续的计算机体系结构研究和开发提供参考。