
时间:2024-11-06 来源:网络 人气:

51单片机作为我国单片机教育中广泛使用的一种,其最小系统板是学习者和初学者入门的重要工具。本文将详细介绍51单片机最小系统板的构成、功能以及制作过程,帮助读者更好地理解和应用这一基础硬件。

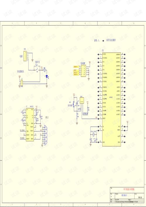
51单片机最小系统板主要由以下几个部分组成:
单片机:作为核心部件,负责处理各种指令和数据。
晶振电路:为单片机提供稳定的时钟信号,保证单片机正常工作。
复位电路:使单片机在启动时能够从初始状态开始运行。
电源电路:为单片机提供稳定的电源电压。
输入/输出接口:用于连接外部设备,如LED、按键、传感器等。

51单片机最小系统板的主要功能如下:
提供一个稳定的工作环境,使单片机能够正常运行。
实现单片机与外部设备的连接,方便进行各种实验和项目开发。
为单片机编程和调试提供基础。

以下是51单片机最小系统板的制作过程:
准备所需材料:单片机、晶振、电容、电阻、排针、面包板等。
按照电路图连接各个元件,包括单片机、晶振、电容、电阻等。
将连接好的电路板安装在面包板上,确保连接牢固。
检查电路连接是否正确,确保无短路、断路等问题。
将电路板接入电源,观察单片机是否正常工作。

51单片机最小系统板在以下几个方面有广泛的应用:
教育领域:作为单片机教学的基础平台,帮助学生掌握单片机的基本原理和应用。
工业控制:应用于各种自动化控制设备,如生产线、机器人等。
智能家居:用于实现家庭自动化,如智能照明、安防监控等。
物联网:作为物联网设备的核心控制单元,实现设备间的互联互通。
51单片机最小系统板是单片机学习和应用的基础,通过本文的介绍,相信读者对51单片机最小系统板有了更深入的了解。在今后的学习和实践中,希望大家能够熟练掌握51单片机最小系统板的使用,为单片机项目开发打下坚实的基础。