
时间:2024-10-29 来源:网络 人气:

在嵌入式系统开发领域,51单片机因其成本低、性能稳定、易于开发等特点,被广泛应用于各种小型控制器和嵌入式项目中。而51单片机最小系统作为其基础,是理解和应用51单片机的前提。本文将深入解析51单片机最小系统的组成、工作原理以及在实际应用中的注意事项。

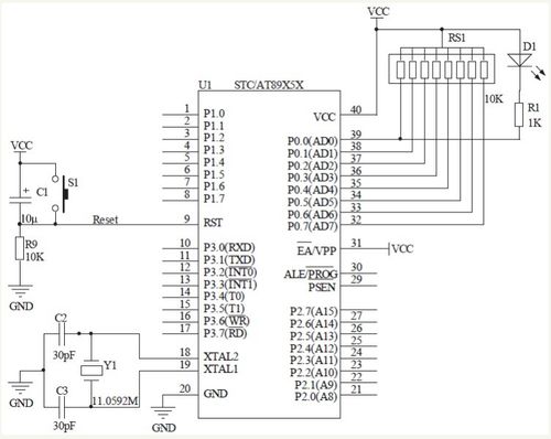
51单片机最小系统主要由以下几个部分组成:
单片机:作为系统的核心,负责处理各种指令和数据。
晶振电路:为单片机提供稳定的时钟信号。
复位电路:保证单片机在启动时能够正确复位。
电源电路:为单片机提供稳定的电源电压。
下载电路:用于将程序烧录到单片机中。

晶振电路是51单片机最小系统中的关键部分,它为单片机提供稳定的时钟信号。晶振电路主要由晶振和电容组成。
晶振:晶振是一种能够产生稳定频率的电子元件,其频率通常为11.0592MHz。
电容:电容用于消除晶振起振时产生的干扰,通常选用无极性电容,电容值在10-33PF之间。

复位电路用于保证单片机在启动时能够正确复位,从而保证系统稳定运行。复位电路主要有以下两种形式:
手动复位:通过按下复位按钮,使单片机复位。
上电复位:单片机上电时,由于电容两端电压不能突变,导致RST引脚为高电平,从而实现复位。

电源电路为单片机提供稳定的电源电压,通常采用AMS1117等稳压芯片。电源电路的设计需要考虑以下因素:
电源电压:根据单片机的需求选择合适的电源电压。
电流:根据单片机的功耗选择合适的电流。
滤波:采用滤波电路,消除电源噪声。

下载电路用于将程序烧录到单片机中。常见的下载电路有串口下载、USB下载等。以下以串口下载为例,介绍下载电路的组成:
串口模块:用于实现单片机与计算机之间的串口通信。
烧录软件:用于将程序烧录到单片机中。

在实际应用中,设计51单片机最小系统时需要注意以下事项:
电路布局:合理布局电路,减小信号干扰。
元件选择:选择合适的元件,保证系统稳定运行。
电源设计:电源设计要满足单片机的功耗要求。
程序烧录:确保程序烧录正确,避免系统故障。
51单片机最小系统是嵌入式系统开发的基础,了解其组成、工作原理以及注意事项对于学习和应用51单片机具有重要意义。通过本文的解析,相信读者对51单片机最小系统有了更深入的了解。