
时间:2024-10-01 来源:网络 人气:

随着我国电力工业的快速发展,变电所作为电力系统的重要组成部分,其运行效率和安全性日益受到关注。综合自动化系统作为一种先进的技术手段,在提升变电所运行效率、保障电力安全方面发挥着重要作用。

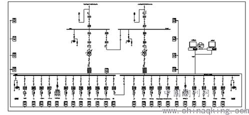
变电所综合自动化系统是指利用先进的计算机技术、现代电子技术、通信技术和信息处理技术等,对变电站的二次设备(包括继电保护、控制、测量、信号、故障录波、自动装置及远动装置等)进行重新组合、优化设计,实现对变电站全部设备的运行情况执行监视、测量、控制和协调的一种综合性的自动化系统。

1. 提高运行效率:综合自动化系统通过实现数据共享和资源共享,提高变电站自动化的整体效益,从而提高电力运行效率。
2. 保障电力安全:综合自动化系统可以实时监测变电站设备的运行状态,及时发现并处理潜在风险,保障电力安全。
3. 降低运维成本:综合自动化系统可以实现远程监控和操作,减少现场运维人员的工作量,降低运维成本。
4. 提高调度效率:综合自动化系统可以为调度部门提供实时、准确的电力运行数据,提高调度效率。

1. 微机保护技术:微机保护技术是变电所综合自动化系统的核心,可以实现快速、准确的故障检测和保护。
2. 远动技术:远动技术可以实现远程监控和操作,提高电力运行效率。
3. 通信技术:通信技术是实现变电所综合自动化系统信息传输的关键,包括有线通信和无线通信。
4. 信息处理技术:信息处理技术可以对采集到的数据进行处理、分析和存储,为电力运行提供决策支持。

随着我国电力工业的不断发展,变电所综合自动化系统将在以下方面发挥重要作用:
1. 提高电力系统稳定性:通过实时监测和快速响应,提高电力系统的稳定性。
2. 促进新能源接入:为新能源的接入提供技术支持,推动新能源产业发展。
3. 实现智能化管理:通过综合自动化系统,实现变电所的智能化管理,提高电力运行效率。
变电所综合自动化系统是提升电力运行效率与安全性的关键技术。随着我国电力工业的不断发展,变电所综合自动化系统将在电力系统中发挥越来越重要的作用。