
时间:2024-10-01 来源:网络 人气:

随着信息技术的飞速发展,综合布线系统已成为现代建筑中不可或缺的一部分。看图施工是综合布线系统工程中的一项重要环节,它直接关系到工程的质量和进度。本文将详细介绍综合布线系统工程看图施工的相关内容,帮助施工人员更好地理解和执行施工任务。

在开始施工之前,施工人员必须熟悉设计图纸,包括建筑平面图、系统图、设备布置图等。以下是熟悉设计图纸的几个要点:
1. 熟悉建筑平面图
建筑平面图是施工人员了解建筑布局的基础。通过平面图,可以了解建筑物的结构、楼层分布、门窗位置等信息,为布线提供必要的空间参考。
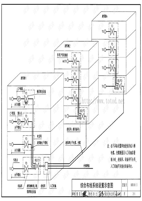
2. 熟悉系统图
系统图展示了综合布线系统的整体布局,包括主干线、水平线、信息点等。施工人员需要根据系统图确定布线路径、设备位置等信息。
3. 熟悉设备布置图
设备布置图详细展示了设备间的布局,包括机柜、配线架、交换机等。施工人员需要根据设备布置图确定设备安装位置,确保设备之间的连接正确。

在熟悉设计图纸的基础上,施工人员还需要进行现场勘察,以确认设计图纸的准确性和可行性。以下是现场勘察的几个要点:
1. 核对设计图纸
现场勘察时,施工人员需要核对设计图纸中的信息,如布线路径、设备位置等,确保与实际现场相符。
2. 评估施工条件
现场勘察时,施工人员需要评估施工条件,如空间、环境、材料等,确保施工顺利进行。
3. 发现问题及时沟通
在勘察过程中,如发现设计图纸与现场不符或存在施工难题,施工人员应及时与设计单位沟通,寻求解决方案。

在完成现场勘察后,施工人员需要进行施工准备,包括以下内容:
1. 材料准备
根据设计图纸和现场勘察结果,准备所需的线缆、插座、信息模块、连接器等材料。
2. 工具准备
准备施工所需的工具,如剥线钳、压线钳、线槽切割机等。
3. 人员培训
对施工人员进行技术培训,确保他们熟悉施工工艺和操作规范。

在完成施工准备后,施工人员可以开始施工。以下是施工过程的几个要点:
1. 按照设计图纸进行布线
根据设计图纸,按照规定的路径和标准进行布线,确保布线质量。
2. 安装设备
按照设备布置图,将设备安装在指定位置,确保设备之间的连接正确。
3. 检查和测试
在施工过程中,定期检查和测试布线质量和设备性能,确保施工质量。

施工完成后,需要进行施工验收,确保工程符合设计要求。以下是施工验收的几个要点:
1. 验收标准
根据国家标准和设计要求,对施工质量进行验收。
2. 验收流程
按照验收流程,对