
时间:2024-09-30 来源:网络 人气:

随着工业自动化程度的不断提高,车床作为机械加工行业的重要设备,其电气控制系统的设计显得尤为重要。车床电气控制系统设计旨在实现车床的自动化、智能化和高效化,提高生产效率和产品质量。本文将详细介绍车床电气控制系统的设计原则、方法和步骤。

1. 安全可靠:电气控制系统设计应确保操作人员的安全,防止电气事故的发生。
2. 简洁明了:控制系统设计应结构简单,便于维护和检修。
3. 高效节能:控制系统设计应充分考虑能源消耗,提高能源利用率。
4. 可扩展性:控制系统设计应具备良好的可扩展性,以适应未来技术发展的需求。

1. 需求分析:根据车床的加工工艺、性能参数和操作要求,确定电气控制系统的功能、性能和配置。
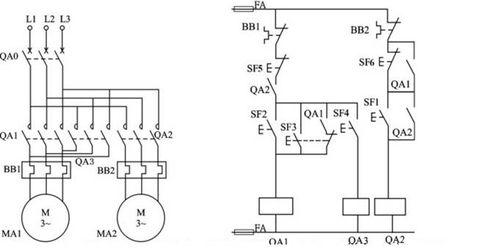
2. 系统设计:根据需求分析结果,进行电气控制系统的总体设计,包括主电路设计、控制电路设计、保护电路设计等。
3. 元器件选型:根据系统设计要求,选择合适的电气元器件,如接触器、继电器、开关、传感器等。
4. 电路图绘制:根据元器件选型和系统设计,绘制电气控制系统的原理图、接线图和布线图。
5. 系统调试:根据电路图,搭建电气控制系统,进行调试和测试,确保系统正常运行。

1. 确定车床加工工艺和性能参数:了解车床的加工对象、加工精度、加工速度等,为电气控制系统设计提供依据。
2. 分析车床操作要求:了解车床的操作方式、操作流程和操作人员的需求,为电气控制系统设计提供参考。
3. 设计主电路:根据车床的功率、电压和电流等参数,设计主电路,包括电源引入、电动机、控制电器等。
4. 设计控制电路:根据车床的操作要求和加工工艺,设计控制电路,包括启动、停止、正反转、速度调节等。
5. 设计保护电路:根据电气安全规范,设计保护电路,包括短路保护、过载保护、欠压保护等。
6. 绘制电路图:根据元器件选型和系统设计,绘制电气控制系统的原理图、接线图和布线图。
7. 搭建系统并进行调试:根据电路图,搭建电气控制系统,进行调试和测试,确保系统正常运行。

1. 电气元器件的选型应满足系统设计要求,确保电气性能和可靠性。
2. 电路设计应遵循电气安全规范,确保操作人员的安全。
3. 控制系统设计应考虑可扩展性,以适应未来技术发展的需求。
4. 系统调试过程中,应仔细检查电路连接和元器件性能,确保系统正常运行。
车床电气控制系统设计是提高车床自动化、智能化和高效化的重要手段。本文从设计原则、方法和步骤等方面对车床电气控制系统设计进行了详细阐述,为相关从业人员提供了一定的参考价值。