
时间:2024-09-25 来源:网络 人气:

随着科技的不断进步,智能化照明系统在各个领域中的应用越来越广泛。本文将详细介绍灯光控制系统的设计,探讨其智能化解决方案,以及如何实现节能、环保和提升用户体验。

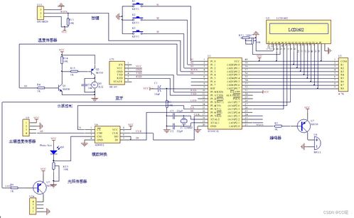
灯光控制系统是一种通过电子技术实现对灯光设备进行集中控制和管理的技术。它可以根据环境、时间和用户需求自动调节灯光的亮度、色温、开关等,从而达到节能、环保和提升照明效果的目的。


















灯光控制系统设计是智能化照明领域的重要研究方向。通过硬件和软件的优化,灯光控制系统可以实现节能、环保、人性化、智能化等功能,为用户带来更好的照明体验。随着技术的不断发展,灯光控制系统将在更多领域发挥重要作用。