系统之家 - 操作系统光盘下载网站!
XP系统
Win7系统
Win8系统
Win10系统
装机软件
主题下载
教程资讯
时间:2024-09-25 来源:网络 人气:
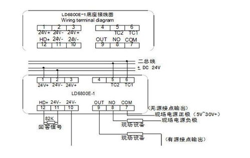
松江1825模块是一款高性能的输入输出模块,广泛应用于消防联动控制系统中。该模块具有以下特点:
支持二进制地址码,方便系统配置。
提供两对常开、常闭触点,可用于控制各种消防设备。
支持无源反馈信号,便于系统监控。
具有DC24V电源输入,满足消防设备供电需求。
以下为松江1825模块的接线图,包括电源输入、控制输出、反馈输入等部分。
荣耀8安卓系统更新,解锁更多可能
怎么升级系统安卓版本,系统升级指南
安卓系统蓝牙驱动替换,轻松提升设备兼容性与稳定性
安卓无法启用鸿蒙系统,技术壁垒揭秘
hmscore非华为手机安装
小说排行榜
火绒安全软件app下载
远方软件库
诗片安卓版下载
我的存钱罐
怎么样才能不当社畜:妻子的故事
什么什么里奥冒险
手机查车