
时间:2024-09-25 来源:网络 人气:

随着工业自动化技术的不断发展,高速伺服电机在各个领域的应用越来越广泛。为了满足高速伺服电机性能测试的需求,本文提出了一种基于LabVIEW的高速伺服电机试验台控制系统设计。该系统具有高精度、高稳定性、易操作等特点,能够满足高速伺服电机在工业生产中的应用需求。


基于LabVIEW的高速伺服电机试验台控制系统主要由以下几部分组成:
硬件部分:
高速伺服电机:作为试验台的核心部件,负责提供动力。
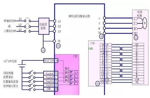
伺服驱动器:控制电机的转速、扭矩等参数。
传感器:实时采集电机的运行状态,如转速、电流、电压等。
工控机:作为控制系统的核心,负责数据处理、指令下达等。
LabVIEW图形化编程环境:用于开发控制系统软件。
软件部分:
LabVIEW图形化编程环境:用于开发控制系统软件。
数据采集与处理模块:负责采集传感器数据,并进行实时处理。
控制算法模块:根据测试需求,实现电机的精确控制。
人机交互界面:用于显示测试结果、参数设置等。

基于LabVIEW的高速伺服电机试验台控制系统设计主要包括以下几个方面:
数据采集与处理模块:
该模块负责实时采集传感器数据,如转速、电流、电压等,并进行实时处理。通过LabVIEW的DAQ助手,可以方便地实现数据采集与处理。
控制算法模块:
根据测试需求,设计相应的控制算法,实现对电机的精确控制。例如,采用PID控制算法,实现对电机转速的精确控制。
人机交互界面:
通过LabVIEW的图形化编程环境,设计直观、易操作的人机交互界面。用户可以通过界面设置测试参数、查看测试结果等。

基于LabVIEW的高速伺服电机试验台控制系统具有以下优势:
高精度:
通过采用高精度的传感器和控制算法,确保测试结果的准确性。
高稳定性:
系统采用闭环控制策略,能够有效抑制干扰,提高系统的稳定性。
易操作:
通过LabVIEW的图形化编程环境,简化了系统开发过程,降低了用户的使用难度。
本文提出了一种基于LabVIEW的高速伺服电机试验台控制系统设计。该系统具有高精度、高稳定性、易操作等特点,能够满足高速伺服电机在工业生产中的应用需求。随着LabVIEW技术的不断发展,基于LabVIEW的控制系统将在更多领域得到应用。