
时间:2024-09-18 来源:网络 人气:

随着现代建筑对消防安全要求的不断提高,消防隔离模块在火灾自动报警系统中扮演着至关重要的角色。本文将详细介绍消防隔离模块的接线方法,帮助您更好地理解和操作这一关键设备。


消防隔离模块主要用于隔离火灾报警系统中的总线,防止因总线故障导致整个系统瘫痪。它能够在总线发生短路或故障时,自动隔离故障段,确保其他部分正常工作。


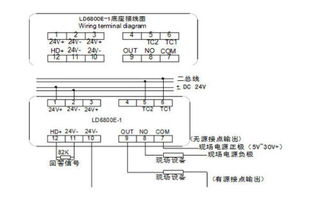
消防隔离模块通常由以下几个部分组成:
输入端:连接报警控制器和探测器。
输出端:连接探测器、手动报警按钮等设备。
隔离器:实现总线隔离功能。
电源:为模块提供工作电压。


以下是消防隔离模块的接线步骤,请按照以下顺序进行操作:
确保所有设备已经断电,以避免触电风险。
将输入端连接到报警控制器,通常使用两根线(如红色和黑色)连接。
将输出端连接到探测器、手动报警按钮等设备,同样使用两根线连接。
将隔离器连接到输入端和输出端之间,确保隔离器处于正常工作状态。
连接电源,确保模块正常供电。
检查所有接线是否牢固,确保没有松动或短路现象。
恢复设备电源,进行系统测试,确保消防隔离模块正常工作。


在接线过程中,请注意以下事项:
确保所有接线符合相关安全规范和标准。
使用合适的线材和接线端子,确保连接牢固。
在操作过程中,注意个人安全,避免触电和受伤。
在完成接线后,进行系统测试,确保消防隔离模块正常工作。


消防隔离模块在火灾自动报警系统中发挥着重要作用。通过本文的介绍,相信您已经对消防隔离模块的接线方法有了更深入的了解。在实际操作中,请务必遵循相关安全规范和标准,确保消防隔离模块的正常工作,为消防安全提供有力保障。