
时间:2025-04-20 来源:网络 人气:
你知道吗?在电子世界里,有一种神奇的接地方式,它就像一个隐形的守护者,默默守护着我们的设备安全。它就是——浮地系统!今天,就让我带你一起探索这个神秘的世界,看看浮地系统和接地之间那些不得不说的故事。

浮地系统,顾名思义,就是将电路或设备与公共地线或可能引起环流的公共导线隔离开来,使电路或设备在电位上相对独立,与大地之间没有直接的电气连接。听起来是不是有点像魔法?其实,这就是一种巧妙的设计,让设备在不受外界干扰的情况下稳定运行。

1. 抗干扰能力强:由于浮地系统与大地之间没有直接连接,所以能有效阻止共地阻抗电路性耦合产生的电磁干扰,让设备在复杂的环境中也能保持稳定运行。
2. 提高安全性:在电力系统中,采用浮地接地方式可以避免因电源或线路单相接地故障造成系统的停运、饱和运行或危险电压的出现,保障人身安全和设备不受到进一步损坏。
3. 方便维护:在绝缘有缺陷的配电变压器中,采用浮地接地可以方便地发现电缆的故障位置,方便维修。

1. 静电积累:由于浮地系统与大地之间没有直接连接,容易产生静电积累,当电荷积累到一定程度,设备与公共地之间的电位差会引起强烈的静电放电,成为破坏性很强的干扰源。
2. 绝缘性能要求高:浮地系统对绝缘性能要求较高,一旦绝缘性能下降,就会带来干扰。
接地,是电子设备中不可或缺的守护者。它就像一条纽带,将设备与大地紧密相连,为设备提供稳定的参考电位,保障设备安全稳定运行。
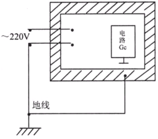
1. 保护接地:将设备正常运行时不带电的金属外壳(或构架)和接地装置之间作良好的电气连接,保护人员安全。
2. 防静接地:泄放机箱上所积累的电荷,避免电荷积累使机箱点位升高,造成电路设备工作的不稳定。
3. 屏蔽接地:避免设备在外界电磁环境下使设备对大地的电位发生变化,造成设备工作的不稳定。
浮地系统和接地,虽然看似对立,但实际上却相辅相成。在电子设备中,浮地系统和接地共同守护着设备的安全稳定运行。
1. 电力系统:在电力系统中,浮地接地可以避免因电源或线路单相接地故障造成系统的停运、饱和运行或危险电压的出现。
2. 强电设备与弱电设备:在实际工程中,由于安全要求和操作要求的不同,有时需要将强电设备与弱电设备进行隔离,此时就需要采用浮地接地来实现。
3. 建筑物:在建筑物中,为保证电力设备的正常运行并保证人身安全,通常会采用浮地接地系统。
浮地系统和接地是电子设备中不可或缺的两个元素。它们共同守护着设备的安全稳定运行,让我们的生活更加美好。让我们一起感谢这个神奇的电子世界,感谢那些默默守护我们的守护者!