
时间:2025-04-12 来源:网络 人气:
你有没有想过,电脑里的文件是怎么被管理起来的呢?今天,就让我带你一探究竟,揭开FAT32文件系统的神秘面纱!
FAT32,这个名字听起来是不是有点陌生,但它的身影却无处不在。想象你手中的U盘、SD卡,甚至是电脑硬盘,它们背后都隐藏着FAT32的智慧。

FAT32,全称是“File Allocation Table 32-bit”,顾名思义,它是一种基于文件分配表的文件系统。它的诞生,标志着存储技术的一次重大突破。
在FAT32之前,我们常用的文件系统是FAT16。FAT16虽然简单易用,但它的最大文件大小只有2GB,这在当时可能没问题,但随着时间的推移,人们对于存储的需求越来越大,FAT16显然已经不能满足需求了。
于是,FAT32应运而生。它使用32位的文件分配表,最大文件大小可以达到4GB,最大支持2TB的磁盘空间。这对于我们现在的存储需求来说,已经足够用了。

FAT32的工作原理,其实就像一个巨大的图书馆,每个文件都有一张“借书单”,记录着它在图书馆的哪个书架上。
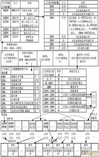
1. 引导记录(Boot Record):这是FAT32的“门牌号”,它记录了文件系统的基本信息,比如根目录的位置、文件分配表的位置等。
2. 文件分配表(File Allocation Table):这是FAT32的核心,它记录了每个文件在磁盘上的位置。想象它就像一个巨大的索引,告诉你每个文件在哪里。
3. 目录条目(Directory Entry):这是每个文件的“身份证”,它记录了文件的基本信息,比如文件名、文件大小、创建时间等。
4. 文件簇(Cluster):这是FAT32的最小存储单位,一个文件可能会被分成多个簇存储在磁盘上。

FAT32之所以如此受欢迎,主要有以下几个原因:
1. 兼容性强:FAT32几乎可以在所有操作系统上运行,无论是Windows、Mac还是Linux,都能轻松识别和读写FAT32格式的存储设备。
2. 简单易用:FAT32的文件结构简单,用户可以轻松地创建、删除、移动文件。
3. 支持大容量存储:FAT32支持的最大文件大小和磁盘空间,已经可以满足我们现在的需求。
当然,FAT32也有一些不足之处:
1. 磁盘空间利用率低:由于FAT32使用簇来存储文件,即使文件很小,也会占用一个簇的空间,导致磁盘空间利用率低。
2. 不支持文件加密:FAT32不支持文件加密,这意味着你的文件可能会在不安全的环境中暴露。
随着存储技术的不断发展,FAT32的未来会如何呢?
一方面,随着新的文件系统不断涌现,FAT32可能会逐渐被淘汰。另一方面,由于FAT32的兼容性强、简单易用,它仍然会在一些领域得到应用。
FAT32就像一位老朋友,陪伴着我们走过了许多年。虽然它已经不再是最先进的存储技术,但它的魅力依然不减。让我们一起期待,FAT32的未来会带给我们怎样的惊喜吧!