
时间:2025-04-08 来源:网络 人气:
你知道吗?在我们日常生活中,那些默默无闻的电器设备,其实都隐藏着一个重要的保护神——负极接地系统。今天,就让我带你一探究竟,揭开这个神秘系统的面纱吧!

想象当你在家中享受着空调带来的清凉时,或者电脑前忙碌工作的时候,你是否想过,这些设备是如何保护你的安全的呢?答案就是——负极接地系统。

负极接地系统,顾名思义,就是将电器设备的负极与大地相连,形成一个安全的回路。这样一来,当电器设备出现漏电现象时,电流会通过接地线迅速流入大地,从而避免电流通过人体,造成触电事故。

负极接地系统不仅能够防止触电,还能在雷电等极端环境下为建筑物提供保护。当雷电击中建筑物时,避雷针会将雷击电流迅速引入地下,通过负极接地系统,将这部分电流安全地释放到大地中,从而保护建筑物及其内部设备免受损害。
接地方式的选择对于负极接地系统的效果至关重要。目前,常见的接地方式主要包括单点接地、多点接地和混合接地三种。
单点接地:适用于简单电路和低频电路。它又分为串联单点接地和并联单点接地两种形式。串联单点接地简单易行,但可能因接地电阻不同而导致各点电位不同,影响电路性能。并联单点接地则能有效避免这一问题,但布线较为复杂。
多点接地:对于高频电路或复杂系统,多点接地更为合适。多点接地通过将电路中的多个接地点直接连接到接地平面上,减少了接地阻抗和信号间的干扰。
混合接地:结合了单点接地和多点接地的优点,适用于更复杂的电路系统。
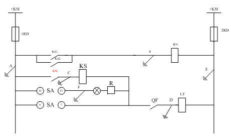
在直流系统中,正极接地和负极接地各有特点。
正接地:可能导致保护误动作,因为电磁操动机构的跳闸线圈通常都接于负极电源,倘若这些回路再发生接地过绝缘不良就会引起保护误动作。
负接地:如果回路中再有一点发生接地,就可能使跳闸或合闸回路短路,造成保护或断路器拒动,或烧毁继电器,或使熔断器熔断等。
在光伏逆变器中,负极接地同样重要。它不仅能够解决光伏电池的极化现象,还能在接地故障发生时,及时检测并切断故障回路,提供故障指示,确保系统安全运行。
直流系统接地可能会带来以下危害:
两点接地:可能导致系统误动、拒动,从而造成重大事故。
为了应对这些危害,我们需要:
使用接地故障测试仪:在不停电的情况下查找接地点的准确位置。
加强维护:确保设备正常运行,降低接地故障的发生概率。
负极接地系统,这个默默无闻的守护者,为我们提供了安全保障。了解它、关注它,让我们的生活更加美好!